1.800.466.1905

sales@ibcmars.com

Square D
ECEM Type WB, 5, 10, 20, 22, 30, 40, 50, 60
Class 5010 Type T WB, 8", 10", 13", 16", 19", 23", 30"
Class 5010 Type F, 8", 10", 13", 16", 19", 23", 30"

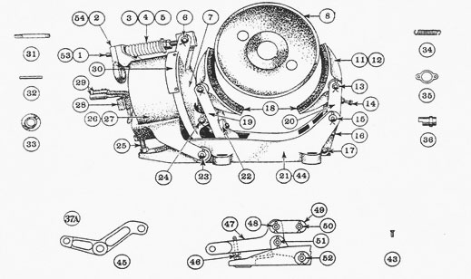
EC&M No. 50 Type WB Brake, Folio 2
EC&M No. 50 Type WB Brake, Folio 2

Item
OEM Part
Description

1
2
4
5
6
7
11
12
13
14
15
16
17
18
19
20
21
22
23
24
24
25
26
28
30
31
32
33
34
35
36
37
37a
39
40
41
42
43
*
*
*
*
*
*
*

WB-583-A
WB-581
WB-516
WB-536
WB-525
WB-587-A
WB-5200-A
WB-5317-A
WB-520
WB-334
WB-522
WB-5029
WB-524
WB-518
WB-505
WB-585-A
WB-589-A
WB-532-A
WB-523
WB-521
WB-5174-A
WB-533
WB-5184-A
Q-368
WB-515
Q-369
WB-519
WB-514
WB-526
WB-529
WB-503
WB-509
WB-5183
WB-5141-A
WB-508
WB-506
WB-556
WB-559
WB-561
WB-5129-A
51001-071-64
WB-4234-A
WB-562
WB-564
WB-563

Spring Rod with Nuts
Handle
Operating Spring (Large)
Operating Spring (Small)
Spring Rod Pin
Armature
Assembled Shoe, Complete
Brake Shoe
Shoe Pin
Equalizing Screw
Shoe Lever Hinge Pin
Special Cap Screw
Connecting Rod Pin
Brake Lining
Shoe Lever
Shoe Lever with Spring Pin
Frame
Shoe Adjusting Wheel w/ Screw
Magnet Hinge Pin
Armature Pin
Magnet Case
Special Cap Screw
Assembled Magnet
Lead Block
Dust Shield
Lead Block Stud
Centering Spring Pin
Spring Collar
Centering Spring
Terminal Guard
Terminal Bushing
Retaining Plate, Brass
Retaining Plate, Steel
Shunt Coil
Balance Lever
Connecting Rod
Shoe Pin Bearing
Lining Rivet
Magnet Case Bushing
Series Coil
Brake Block Kit
Spring Rod
Busing, Armature/Lower
Bushing, Shoe Lever
Bushing, Shoe Lever

EC&M No. 50 Type WB Brake, Folio 3


Item
OEM Part
Description

1
3
4
5
6
7
8
9
11
12
12
13
14
15
16
17
18
19
20
21
22
23
23
24
26
27
28
29
30
31
33
34
35
36
37
38
39
42
43
45
46
48
49
53
55
*
*

WB-5200-A
WB-518
WB-559
FP-24B28
WB-5213
WB-629
WB-5204-A
WB-5244
WB-5240
FP-24B31
WB-5317-A
WB-627
WB-5243
WB-519
WB-524
FP-24B25
FP-24C14
WB-526
WB-5217-A
WB-5186-A
WB-5202-A
FP-24B15
FP-24C15
WB-4215
WB-5223
FP-24B30
FP-24C16
WB-5222
FP-24B29
WB-533
WB-5312-A
WB-5190-A
WB-5236-A
WB-5239
WB-516
WB-536
WB-514
WB-4234-A
WB-525
WB-503
WB-529
Q-369
Q-368
WB-5192-A
WB-5183
WB-5140-A
WB-5143-A

Assembled Shoe, Complete
Brake Lining
Lining Rivet
Bearing
Shoe Pin
Washer
Shoe Lever
Shoe Adjusting Screw
Shoe Lever Pin
Bearing
Brake Shoe
Washer
Equalizing Screw
Centering Spring Pin
Connecting Rod Pin
Bearing
Bearing
Centering Spring
Connecting Rod
Frame, Complete
Shoe Lever
Bearing
Bearing
Shoe Adjusting Screw
Magnet Hinge Pin
Bearing
Bearing
Armature Pin
Bearing
Special Cap Screw
Assembled Magnet, Complete
Armature
Spring Rod Nut
Spring Retainer
Operating Spring (Large)
Operating Spring (Small)
Spring Collar
Spring Rod
Spring Rod Pin
Terminal Bushing
Terminal Guard
Lead Block Stud
Lead Block
Magnet Case, Complete
Retaining Plate, Steel
Coil
Shunt Coil

Contact Form