1.800.466.1905

sales@ibcmars.com

Square D
ECEM Type WB, 5, 10, 20, 22, 30, 40, 50, 60
Class 5010 Type T WB, 8", 10", 13", 16", 19", 23", 30"
Class 5010 Type F, 8", 10", 13", 16", 19", 23", 30"


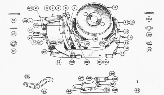
EC&M No. 40 Type WB Brake, Folio 2
EC&M No. 40 Type WB Brake, Folio 2

Item
OEM Part
Description

1
2
3
4
6
7
11
12
13
14
15
16
17
18
19
20
21
22
23
24
25
26
27
28
30
31
32
33
34
34
35
36
37
37
41
43
46
*
*
*
*
*
*
*
*

WB-483-A
WB-381
WB-416
WB0436
WB-425
WB-487-A
WB-4200-A
WB-4317-A
WB-420
WB-435
WB-422
WB-334
WB-424
WB-418
WB-405
WB-4204-A
WB-489-A
WB-432-A
WB-423
WB-421
WB-433
WB-4184-A
WB-4174-A
Q-368
WB-4163
Q-369
WB-419
WB-414
WB-426
WB-529
WB-503
WB-409
WB-4183
WB-408
WB-4217-A
WB-366
WB-455
WB-466
WB-4131-A
WB-4132-A
51001-071-63
WB-463
WB-461
WB-462
WB-464

Spring Rod with Nuts
Handle
Brake Spring
Operating Spring
Spring Rod Pin
Armature
Assembled Shoe, Complete
Brake Shoe
Shoe Pin
Special Cap Screw
Shoe Lever Hinge Pin
Equalizing Screw
Connecting Rod Pin
Brake Lining
Shoe Lever
Shoe Lever Hinge Pin
Frame
Shoe Adjusting Wheel with Screw
Magnet Hinge Pin
Armature Pin
Special Cap Screw
Assembled Magnet
Magnet Case
Lead Block
Dust Shield
Lead Block Stud
Centering Spring Pin
Spring Collar
Centering Spring
Terminal Guard
Terminal Bushing
Retaining Plate, Brass
Retaining Plate
Balance Lever
Connecting Rod
Rivet
Magnet Adjusting Screw
Bushing, Frame, Lower Inner
Coil
Coil, Series Wound 100-HP
Brake Block Kit
Bushing, Armature
Bushing, Magnet Case
Bushing, Shoe Lever
Bushing, Armature/Lower


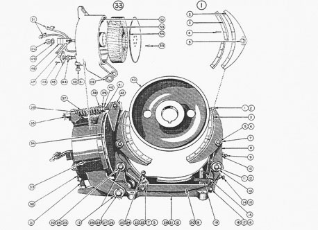
EC&M No. 40 Type WB Brake, Folio 3



Item
OEM Part
Description

1
2
3
5
6
7
8
9
11
12
13
14
15
16
17
18
19
20
21
22
23
24
26
27
28
29
30
31
33
34
35
36
37
38
41
42
44
45
47
48
52
54
*

WB-4200-A
WB-4317-A
WB-418
FP-24B24
WB-4213
FA-78
WB-4204-A
WB-4244
WB-4240
FP-24B27
WB-4228
WB-4243
WB-419
WB-424
FP-24B23
FP-24C13
WB-426
WB-4217-A
WB-4186-A
WB-4202-A
FP-24C14
WB-4215
WB-4223
FP-24B28
FP-24B26
FP-24C31
WB-4222
WB-433
WB-4312-A
WB-4190-A
WB-4236-A
WB-4239
WB-436
WB-414
WB-4234-A
WB-425
WB-503
WB-529
Q-369
Q-368
WB-4192-A
WB-4183
WB-4146-A

Assembled Shoe, Complete
Brake Shoe
Brake Lining
Bearing
Shoe Pin
Washer for Shoe Lever Pin
Shoe Lever with Spring Pin
Shoe Adjusting Screw
Shoe Lever Pin
Bearing
Washer for Shoe Lever Pin
Equalizing Screw
Centering Spring Pin
Connecting Rod Pin
Bearing
Bearing
Centering Spring
Connecting Rod
Frame Complete
Balance Lever
Bearing
Shoe Adjusting Screw
Magnet Hinge Pin
Bearing
Bearing
Bearing
Armature Pin
Special Cap Screw
Assembled Magnet Complete
Armature Complete
Spring Rod Nut
Spring Retainer
Operating Spring
Spring Collar
Spring Rod
Spring Rod Pin
Terminal Bushing
Terminal Guard
Lead Block Stud
Lead Block
Magnet Case
Retaining Plate
Coil

Contact Form