1.800.466.1905

sales@ibcmars.com

Square D
ECEM Type WB, 5, 10, 20, 22, 30, 40, 50, 60
Class 5010 Type T WB, 8", 10", 13", 16", 19", 23", 30"
Class 5010 Type F, 8", 10", 13", 16", 19", 23", 30"

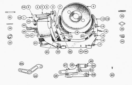
EC&M No. 30 Type WB Brake, Folio 2
EC&M No. 30 Type WB Brake, Folio 2

Item
OEM Part
Description

1
2
3
6
7
11
12
13
15,23
16
17
18
19
20
21
22
24
25
26
27
28
30
31
32
33
34
35
36
37
37A
40
41
43
46
50
*
*
*
*
*
*
*

WB-383-A
WB-381
WB-316
WB-325
WB-387-A
WB-3200-A
WB-3317-A
WB-320
WB-322
WB-235
WB-324
WB-318
WB-305
WB-385-A
WB-389-A
WB-332-A
WB-321
WB-333
WB-3184-A
WB-3174-A
Q-368
Q-369
WB-319
WB-314
WB-326
WB-329
WB-303
WB-309
WB-3183
WB-308
WB-3217-A
WB-366
WB-355
WB-345
WB-363
WB-3144-A
WB-362
WB-365
WB-364
WB-361
WB-31XX

Spring Rod with Nuts
Handle
Operating Spring
Spring Rod Pin
Armature
Assembled Shoe, Complete
Brake Shoe
Shoe Pin
Shoe Lever Hinge Pin
Equalizing Screw
Connecting Rod Pin
Brake Lining
Shoe Lever
Shoe Lever with Spring Pin
Frame
Shoe Adjusting w/ Screw
Armature Pin
Special Cap Screw
Assembled Magnet
Magnet Case
Lead Block
Dust Shield
Lead Block Stud
Spring Pin
Spring Collar
Centering Spring
Terminal Guard
Terminal Bushing
Retaining Plate, Brass
Retaining Plate
Balance Lever
Connecting Rod
Rivet
Shoe Adjusting Screw
Armature Pin
Bushing, Armature/Lower
Coil
Bushing, Armature
Bushing, Shoe Lever
Bushing, Frame
Bushing
Coil, 50 HP


EC&M No. 30 Type WB Brake, Folio 3



Item
OEM Part
Description

1
2
3
4
5
6
7
8
9
10
11
13
14
15
16
17
18
19
20
21
22
23
24
25
27
28
29
30
31
32
33
34
35
36
37
39
40
41
42
44
45
47
48
52
*

WB-3200-A
WB-3317-A
FP-24B19
WB-318
WB-366
WB-3213
WB-3227
FP-24B17
WB-3220
WB-3204-A
WB-355
WB-322
WB-3228
FP-24B21
FP-24B20
WB-235
WB-319
WB-324
FP-24B18
FP-24C10
WB-326
WB-3217-A
WB-3186-A
WB-3215
WB-3202-A
WB-3223
FP-24C11
WB-345
WB-3214
WB-3190-A
WB-381
WB-316
WB-2249
WB-383-A
WB-325
WB-3312-A
1B-3192-A
FP-24B22
WB-333
WB-303
Q-305
Q-369
Q-368
WB-3138
WB-3125-A

Assembled Shoe, Complete
Brake Shoe
Bearing
Brake Lining
Rivet
Shoe Pin
Washer
Bearing
Spacer
Shoe Lever with Hinge Pin
Shoe Adjusting Screw
Shoe Lever Hinge Pin
Washer
Bearing
Bearing
Equalizing Screw
Spring Pin
Connecting Rod Pin
Bearing
Bearing
Centering Spring
Connecting Rod
Frame Complete
Shoe Adjusting Screw
Balance Lever
Magnet Hinge Pin
Bearing
Armature Pin
Shoe Pin
Armature Complete
Handle
Operating Spring
Spring Collar
Spring Rod with Nuts
Spring Rod Pin
Assembled Magnet
Magnet Case
Bearing
Special Cap Screw
Terminal Bushing
Terminal Guard
Lead Block Stud
Lead Block
Retaining Plate
Coil

Contact Form