1.800.466.1905

sales@ibcmars.com

Square D
ECEM Type WB, 5, 10, 20, 22, 30, 40, 50, 60
Class 5010 Type T WB, 8", 10", 13", 16", 19", 23", 30"
Class 5010 Type F, 8", 10", 13", 16", 19", 23", 30"

Class 5010 30" Type T WB Brake, Folio 6
Class 5010 30" Type T WB Brake, Folio 6

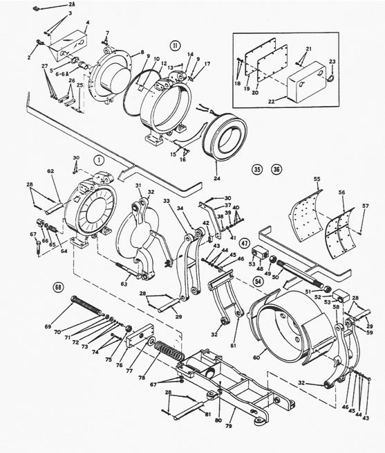
Item
OEM Part
Description

1
2
2a
4
5
6
6a
8
10
11
12
13
14
15
15
17
19
20
22
23
24
24
24
24
24
24
24
24
25
26
29
31
32
33
34
35
36
37

38
39
42
43
45
46
47
48
49
50
51
52
53
53
54
55
56
58
59
60
61
62
63
64
65
66
68
69
70
71
72
75
76
77
78
79
80
81
*
*

51007-010-50
FP-28C11
52908-003-02
51007-031-01
51007-029-04
51007-029-01
51007-029-02
51007-020-01
51139-040-04
51007-019-50
51007-019-02
22903-28402
51007-019-01
51007-035-01
51139-035-01
51139-035-01
51007-029-05
51007-029-06
51007-032-01
51007-029-03
50909-016-56
51007-038-50
51007-038-54
51007-038-53
51007-037-52
51007-038-55
50909-016-58
51007-038-52
W-19090
W-19091
51007-039-01
51007-018-50
51007-023-01
51007-016-50
22903-28402
51007-030-51
51007-030-50
51007-043-01

50502-052-16
50502-601-13
51007-042-03
50502-526-17
50502-601-38
51007-028-01
51007-017-50
51007-017-01
W-23080
51007-017-03
50502-551-01
51007-017-02
51007-023-01
51007-023-01
51007-013-50
51007-022-01
51007-026-01
51007-014-50
22903-28402
51007-047-02
51007-015-50
51007-039-03
51007-021-01
50502-601-12
50502-003-32
51007-021-02
51007-027-51
51007-027-02
50502-051-28
SP-875
50502-003-30
50502-551-03
51007-027-01
50502-003-31
51007-040-01
51007-012-50
22903-28402
51007-039-02
51017-029-01
50903-808-57

Magnet Assembly
Coil Terminal Lug
Coil Terminal Lug
Terminal Shield
Lead Bushing Clamp
Lead Bushing
Lead Bushing
Magnet Faceplate
Calibration Plate
Magnet Case Assembly
Gasket
Set Screw
Magnet Case
Non-Magnetic Spacer
Nameplate
Nameplate
Junction Box Cover
Cover Gasket
Junction Box
Lead Gasket
Coil
Coil, 440-580 HP
Coil, 230-305 HP
Coil, 290-385 HP
Shunt Coil
Coil, 175-235 HP
Brake Coil, 30" Series
Coil, 315-410 HP
Lead Clamp Stud
Lead Clamp
Pin
Armature Assembly
Bearing
Shoe Lever Assembly
Set Screw
Virtual Center Assembly, LH
Virtual Center Assembly, RH
Bracket

Spacer
Spring
Bearing, (Type T 30")
Special Cap Screw
Shoe Clamp Spring
Shoe Clamp
Connecting Rod Assembly
Connecting Rod Link, RH
Lock Nut
Connecting Rod
Jam Nut, LH
Connecting Rod Link, LH
Bearing
Bearing
Brake Shoe Assembly
Brake Shoe
Brake Block
Shoe Lever Assembly
Set Screw
Brake Wheel
Shoe Support Lever Assembly
Armature Pin
Manual Release Screw
Spring
Washer
Manual Release Nut
Torque Screw Assembly
Torque Screw
Spacer
Thrust Washer
Washer
Locknut
Torque Screw Plate
Spring Thrust Plate
Operating Spring
Frame Assembly
Set Screw
Outer Lever/Support Lever Pin
Block
Brake Block

Contact Form