1.800.466.1905

sales@ibcmars.com

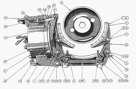
Square D
ECEM Type WB, 5, 10, 20, 22, 30, 40, 50, 60
Class 5010 Type T WB, 8", 10", 13", 16", 19", 23", 30"
Class 5010 Type F, 8", 10", 13", 16", 19", 23", 30"

EC&M No. 22 Type WB Brake, Folio 1
EC&M No. 22 Type WB Brake, Folio 1

Item
OEM Part
Description

1
2
3
4
5
6
7
8
9
10
11
12
14
15
16
17
18
20
21
22
24
25
26
27
29
30
32
33
34
35
36
37
40
41
43
44
46
47
52
54
*
*
*
*
*

WB-2200-A
WB-2317-A
WB-2340
WB-359
FP-24B17
WB-2213
WB-3227
WB-2204-A
WB-2343
FP-24B36
FA-78
WB-2243
WB-2342
FP-24C10
FP-24B18
WB-2186-A
WB-2215
WB-2217-A
WB-2330
WB-2333
WB-2223
FP-24B21
FP-24C32
WB-3228
WB-2259
WB-233
WB-2312-A
WB-2188-A
WB-4236-A
WB-2239
WB-2329
WB-2249
WB-2234-A
WB-225
WB-2242
Q-305
Q-165
Q-257
WB-2192-A
WB-2250
WB-2280-A
WB-22 Shun
WB-2283-A
51001-071-61
WB-2281-A

Assembled Shoe, Complete
Brake Shoe
Brake Lining
Lining Rivet
Bearing
Shoe Pin
Washer
Shoe Lever
Shoe Lever Pin
Bearing
Washer, for Shoe Lever Pin
Equalizing Screw
Connecting Rod Pin
Bearing
Bearing
Frame
Shoe Adjusting Screw
Connecting Rod
Centering Spring
Guide Screw
Magnet Hinge Pin
Bearing
Bearing
Washer
Dust Shield
Magnet Adjusting Screw
Assembled Magnet
Armature
Spring Rod Nut
Spring Retainer
Operating Spring
Spring Collar
Spring Rod
Spring Rod Pin
Terminal Bushing
Terminal Guard
Lead Block Stud
Lead Block
Magnet Case
Retaining Plate
Series Coil
Shunt Coil
Coil
Brake Block Kit
Series Coil

Contact Form