1.800.466.1905

sales@ibcmars.com

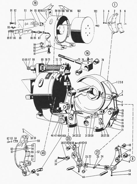
Square D
ECEM Type WB, 5, 10, 20, 22, 30, 40, 50, 60
Class 5010 Type T WB, 8", 10", 13", 16", 19", 23", 30"
Class 5010 Type F, 8", 10", 13", 16", 19", 23", 30"

Class 5010 13" Type T WB Brake, Folio 6
Class 5010 13" Type T WB Brake, Folio 6

Item
OEM Part
Description

1
2
3
5
6
7
8
9
10
100
11
12
15
17
18
19
20
21
21a
22
23
24
25
26
27
28
29
30
31
32
33
34
35
36
37
38
39
40
41
42
44
44

W-13004-A
W-13005
22903-24200
W-13043
W-13046
W-13032
W-13006-A
W-13008-A
29005-56404
W-13024
29005-66446
52927-017-60
22903-24200
W-13033
WB-235
W-13042
W-13018-A
W-13009-A
W-13151-A
W-13095-A
29005-56403
25223-46400
52927-017-70
W-13025
23701-00200
21401-20240
W-13015-A
23701-00240
21401-24480
WB-2330
WB-234
23701-00280
W-13007-A
W-13008-A
29005-56404
29005-66446
25223-46680
52927-017-60
52927-017-70
22903-24200
W-13098
W-13031

Assembled Brake Shoe, Complete
Shoe
Set Screw
Brake Block
Rivet
Shoe Pin
Assembled Shoe Lever
Shoe Lever with Bearing
Bearing
Dust Shield
Bearing
Grease Fitting
Set Screw
Shoe Lever Pin (Frame End)
Equalizing Screw
Lock Nut
Assembled Frame, Complete
Assembled Connecting Rod, Comp
Connecting Rod w/ Bearing
Connecting Rod with Bearings
Bearing
Pipe Nipple
Grease Fitting
Cam Rail
Pl. Lock Washer
H.I. Cap Screw
Cam
Pl. Lock Washer
H.I. Cap Screw
Centering Spring
Magnet Adjusting Screw
Lock Washer
Assembled Shoe Lever, Complete
Shoe Lever with Bearing
Bearing
Bearing
Pipe Nipple
Grease Fitting
Grease Fitting
Set Screw
Connecting Rod Pin
Connecting Rod Pin

45 For improved construction use 45b & 45c
45a
45b
45c
46
47
48
49
50
51
52
53
54
55
56
57
58
60
61
62
63
64
65
66
66
67
68
69
70
71
72
72a
72b
72c
73
74
75
76
77
79
80
81
81a
82
83
84
85
86
87
88
89
91
92
93
94
*
*
*
*
*
*
*
*
*
W-13028
W-13159
W-13160
23701-00320
21401-32640
W-13034
W-13002-A
W-13003-A
29005-66446
W-13047-A
52927-017-50
W-13026
52927-018-50
W-13048
52927-018-70
22903-24200
21101-20400
23701-00200
21401-20200
23701-00200
W-13049
21401-22240
23701-00220
23701-00200
TW-76
W-13022
W-13041
W-13023
W-13045
W-13020
W-13121
W-13120
W-13163
W-13035
W-13012-A
W-13094-A
29005-48320
52927-017-60
W-13001-A
W-13087-A
W-13040
W-16165
W-13088
W-13092
W-13080
W-13090
23601-00240
23701-00240
W-13091
23002-00240
21401-24240
23701-00240
W-13089
W-13039
50903-808-53
W-13250-A
50905-224-71
W-13268-A
W-13262-A
Calibration
W-13263-A
29005-66440
W-13266-A
Frame Bushing
Magnet Hinge Pin
Pin Collar
Pl. Lock Washer
H.I. Cap Screw
Shoe Lever Pin (Armature End)
Assembled Armature, Complete
Armature with Bearings
Bearing
Assembled Grease Unit, Comp.
Grease Fitting
Header Block
Compression Fitting
Tube
Compression Fitting
Set Screw
Fil. I. Cap Screw
Pl. Lock Washer
H.I. Cap Screw
Pl. Lock Washer
Air Gap Indicator
H.I. Cap Screw
Lock Washer
Pl. Lock Washer
Washer
Manual Release Nut
Lock Nut
Spring Adjusting Nut
Spring Collar
Operating Spring
Spring, 33% of Std. Torque
Spring, 66% of Std. Torque
Spring, 50% of Std. Torque
Spring Rod Pin
Assembled Spring Rod, Comp
Assembled Spring Rod, Comp
Bearing
Grease Fitting
Assembled Magnet, Complete
Magnet Case, Only
Magnet Adjusting Screw
Stop Bracket
Magnet Adjusting Nut
Washer
Lock Nut
Lead Clamp Stud
Washer
Pl. Lock Washer
Lead Clamp
H.I. Nut
H.I. Cap Screw
Pl. Lock Washer
Terminal Shield
Gasket
Shoe Lining Kit
Coil
Coil
Shunt Coil
Coil, T-1351
13" WB Calibration Plate
Coil
Bearing
Coil Shunt

Contact Form