1.800.466.1905

sales@ibcmars.com

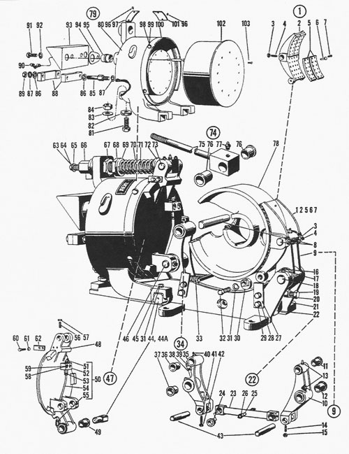
Square D
ECEM Type WB, 5, 10, 20, 22, 30, 40, 50, 60
Class 5010 Type T WB, 8", 10", 13", 16", 19", 23", 30"
Class 5010 Type F, 8", 10", 13", 16", 19", 23", 30"

Class 5010 23" Type T WB Brake, Folio 6
Class 5010 23" Type T WB Brake, Folio 6

Item
OEM Part
Description

1
2
5
6
8
9
10
11
12
13
18
19
20
21
22
23
24
26
27
30
33
34
35
36
39
40
42
43

W-23004-A
W-23005
W-23043
WB-659
W-23032
W-23006-A
W-23008-A
FP-24J11
FP-24J12
FP-25A12
W-23033
W-23027
W-23042
W-23018-A
W-23009-A
W-23095-A
FP-24J11
FP-25A15
W-23025
W-19015-A
W-23021
W-23007-A
W-23008-A
FP-24J11
FP-25A12
FP-25A15
W-19049
W-23031

Assembled Brake Shoe, Complete
Brake Shoe, Only
Lining
Rivet
Shoe Pin
Assembled Shoe Lever, Complete
Shoe Lever
Bearing
Bearing
Grease Fitting
Shoe Lever Pin (Frame End)
Equalizing Screw
Lock Nut
Assembled Frame
Assembled Connecting Rod Comp
Connecting Rod
Bearing
Grease Fitting
Cam Rail
Cam
Centering Spring
Assembling Shoe Lever, Complete
Shoe Lever
Bearing
Grease Fitting
Grease Fitting
Air Gap Indicator
Connecting Rod Pin

44 For improved construction use 44a & 44b
44a
44b
46
47
48
49
50
51
52
53
54
55
63
64
65
66
67
68
69
70
70a
71
72
73
73
74
75
76
77
79
79
80
81
82
83
84
85
88
93
94
95
95
100
102
102
102
102
*
*
*
*
*
*
*
*
*
*
*
*
*
*
*
*
*
W-23232
W-23233
W-23034
W-23002-A
W-23003-A
FP-24J12
W-23047-A
W-13026
FP-25A16
FP-25A17
W-23048
FP-25A18
21401-22240
23701-00220
SS-292
W-19022
W-19041
W-23023
W-23045
W-23020
W-23159
W-23082
W-23078
W-13033
W-23035
W-23012-A
W-23094-A
FP-24J10
FP-25A12
W-23001-A
W-23201-A
W-23087-A
W-23040
W-23088
W-23092
W-23080
W-19090
W-19091
W-23089
W-23039
W-23029
W-23079
W-23024
W-23127
W-23126
W-23127
W-23127
23223-46800
W-23124
23004-00400
29005-80715
W-23028
50502-526-13
50502-526-10
W-23135-A
21714-22280
W-23254-A
W-23252-A
W-23253-A
W-23258-A
W-23052-A
W-23061-A
W-23261-A
W-23058-A
Magnet Hinge Pin
Pin Collar
Shoe Lever Pin (Armature End)
Assembled Armature, Complete
Armature
Bearing
Assembled Grease Unit, Comp
Header Block
Grease Fitting
Compression Fitting
Tube
Compression Fitting
H.I. Cap Screw
Lock Washer
Washer
Manual Release Nut
Lock Nut
Spring Adjusting Nut
Spring Collar
Operating Spring, Large
Spring, 50% of Std Torque
Operating Spring, Small
Spring Collar
Shoe Lever Pin (Frame End)
Pin
Assembled Spring Rod, Complete
Spring Rod
Bearing
Grease Fitting
Assembled Magnet, Complete
Magnet Assembly
Magnet Case
Magnet Adjusting Screw
Magnet Adjusting Nut
Washer
Lock Nut
Lead Clamp Stud
Lead Clamp
Terminal Shield
Lead Gasket
Lead Bushing
Lead Bushing
Dust Shield
Retaining Plate 7 Holes (Stainless)
Retaining Plate Cover
Retaining Plate, 19 holes, Folio 5A
Retaining Plate, 12 hole, Folio 5
Pipe Nipple
Cam Rail
H. Nut
Frame Bushing
Frame Bushing
Screw
Equalizing Screw
Assembled Connecting Rod
Nylock Brass Screw
Coil 110-140 HP
Brake Coil, 160-205 HP
Coil, 140-180 HP
Coil
Coil
Coil
Coil
Coil

Contact Form