1.800.466.1905

sales@ibcmars.com

Square D
ECEM Type WB, 5, 10, 20, 22, 30, 40, 50, 60
Class 5010 Type T WB, 8", 10", 13", 16", 19", 23", 30"
Class 5010 Type F, 8", 10", 13", 16", 19", 23", 30"

EC&M No. 10 Type WB Brake, Folio 2
EC&M No. 10 Type WB Brake, Folio 2

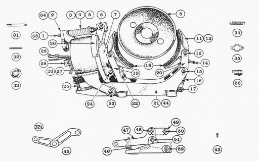
Item
OEM Part
Description

1
2
3
6
7
8
11
12
13
15
16
17
18
19
20
21
23
24
25
26
27
28
30
31
32
33
34
37
40
41
43
46
*
*
*
*
*
*
*
*
*

WB-183-A
WB-181
WB-116
WB-125
WB-187-A
WB-132-A
WB-110-A
WB-104
WB-120
WB-112
WB-133
WB-124
WB-118
WB-105
WB-185-A
WB-189-A
WB-123
WB-121
WB-434
WB-190-A
WB-188-A
Q-164
WB-1163
Q-165
WB-119
WB-114
WB-126
WB-109
WB-186-A
WB-106
WB-159
WB-134
WB-1129-A
WB-1132-A
51001-071-59
WB-1133-A
WB-162
WB-161
WB-164
WB-165
WB-163

Spring Rod, with Nuts
Handle
Brake Spring
Spring Rod Pin
Armature
Wheel
Assembled Shoe
Brake Shoe
Shoe Pin
Shoe Lever Hinge Pin
Equalizing Screw
Connecting Rod Pin
Brake Lining
Shoe Lever (Armature End)
Shoe Lever With Spring Pin
Frame
Magnet Hinge Pin
Armature Pin
Special Cap Screw
Assembled Magnet
Magnet Case
Lead Block
Dust Shield
Lead Block Stud
Centering Spring Pin
Spring Collar
Centering Spring
Retaining Plate, Brass
Balance Lever
Connecting Rod
Lining Rivet
Shoe Adjusting Screw
Coil
Coil, 5-8 HP
Brake Block Kit
Coil
Bushing, Armature/Upper
Bushing, Magnet Case
Bushing, Frame/Upper
Bushing, Shoe Lever
Bushing, Armature-Frame/Upper

Contact Form