Square
D
ECEM
Type WB, 5, 10,
20, 22,
30, 40,
50, 60
Class
5010 Type T WB, 8", 10",
13", 16",
19", 23",
30"
Class
5010 Type F, 8", 10",
13", 16",
19", 23",
30"
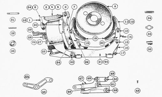
EC&M No. 20 Type WB Brake, Folio 1

| Item
1
2
3
6
7
11
12
13
14
15
16
17
18
18
19
20
22
23
24
25
26
27
28
30
30
31
32
33
34
35
36
37
40
41
43
44
48
*
*
*
*
*
*
*
*
|
OEM
Part
WB-283-A
WB-281
WB-216
WB-225
WB-287-A
WB-210-A
WB-204
WB-220
WB-238
WB-222
WB-235
WB-224
WB-218
51001-071-60
WB-205
WB-285-A
WB-232-A
WB-223
WB-221
WB-455
WB-290-A
WB-288-A
Q-257
WB-2163
WB-215
Q-165
WB-219
WB-2061
WB-226
Q-304
WB-229
WB-209
WB-286-A
WB-206-A
WB-259
WB-289-A
WB-424
WB-263
WB-262
WB-265
WB-264
WB-261
WB-267
FP-24C36
29005-48301
|
Description
Spring
Rod with Nuts
Handle
Brake
Spring
Spring
Rod Pin
Armature
Assembled
Shoe
Brake
Shoe
Shoe
Pin
Shoe
Adjusting Screw
Shoe
Lever Hinge Pin
Equalizing
Screw
Connecting
Rod Pin
Brake
Lining
Lining
Kit
Shoe
Lever
Shoe
Lever
Shoe
Adjusting Wheel w/screw
Magnet
Hinge Pin
Armature
Pin
Magnet
Adjusting Screw
Assembled
Magnet
Magnet
Case
Lead
Block
Dust
Shield
Dust
Shield, Steel
Lead
Block Stud
Centering
Spring Pin
Spring
Collar
Centering
Spring Pin
Terminal
Guard
Terminal
Bushing
Retaining
Plate, Brass
Balance
Lever
Connecting
Rod
Lining
Rivet
Frame
Connecting
Rod Pin
Bushing,
Armature/Lower
Bushing,
Armature
Bushing,
Shoe Lever
Bushing,
Frame/Upper
Bushing,
Magnet Case
Bushing,
Balance Lever
Bushing
Bushing
|
|